○大月市認知機能低下予防高齢者補聴器購入費助成金交付要綱
令和7年8月1日
告示第70号
(趣旨)
第1条 この要綱は、高齢者の加齢による聴力機能の低下(以下「加齢性難聴」という。)に早期に気づき、補聴器(医薬品、医療機器等の品質、有効性及び安全性の確保等に関する法律(昭和35年法律第145号)により認証を取得した管理医療機器であるものに限る。)の装着など早期の適切な対応を推進することにより、社会参加や地域交流を促すことで認知症やフレイル予防を促進することを目的とする事業に係る経費に対し、予算の範囲内で補助金を交付する大月市認知機能低下予防高齢者補聴器購入費助成金に関し、大月市補助金等交付規程(昭和43年大月市訓令第3号)に定めるもののほか、必要な事項を定めるものとする。
(実施事業)
第2条 市長は、前条の目的を達成するため、補聴器の購入に要する費用の一部を助成する事業を行うこととする。
(助成対象者)
第3条 費用の助成を受けることができる者(以下「助成対象者」という。)は次の要件を全て満たすものとする。
(1) 対象者要件
ア 市内に住所を有する者
イ 事業を実施する年度に65歳以上となる者
ウ 耳鼻咽喉科医師が補聴器の装用を認めた者
エ 障害者の日常生活及び社会生活を総合的に支援するための法律(平成17年法律第123号)に基づく補装具費(補聴器)の支給対象者でない者
オ 介護保険第1号保険料(平成9年法律第123号及び平成11年介護保険法施行令第38条に定める保険料をいう。)の第1段階から第4段階のいずれかに該当する者
カ 過去にこの要綱による補助を受けたことがない者
(2) 対象補聴器
ア 医師の処方箋に基づき認定補聴器専門店に在籍する認定補聴器技能者から購入する補聴器
イ 原則、片耳とする。ただし、医師が認めた場合は両耳を対象とすることができる
(助成金の額)
第4条 助成金の額は、補聴器の購入に要する費用の2分の1に相当する額(その額に1,000円未満の端数があるときは、これを切り捨てた額)とし、別表に掲げる額を限度とする。
2 助成の対象となる費用は、医師の意見書に基づいて耳に装着する補聴器本体及びその付属品の購入費用とし、医師の意見書を得るための費用(診察料、検査料等)、助成の申請に係る費用等は対象としない。
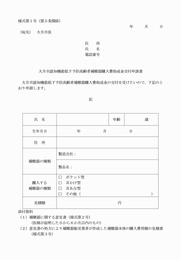
(申請)
第5条 助成金の交付を受けようとする助成対象者は、大月市認知機能低下予防高齢者補聴器購入費助成金交付申請書(様式第1号)に次に掲げる書類を添えて、市長に提出しなければならない。
(1) 補聴器に関する意見書(様式第2号)
(2) 意見書の処方により補聴器販売業者が作成した補聴器本体の購入費用額の見積書(様式第3号)
(遵守事項)
第8条 助成決定者は、第6条の規定による交付決定を受け購入した補聴器を、助成の目的に反して使用し、譲渡し、交換し、貸付け又は担保に供してはならない。
(助成決定の取消し及び返還)
第9条 市長は、助成決定者が次の各号のいずれかに該当すると認めたときは、助成金の交付決定の全部若しくは一部を取り消し、又は既に助成している助成金の全部若しくは一部の返還を命ずるものとする。
(1) 虚偽の申請その他不正な手段により助成を受けたとき。
(2) この要綱の規定又はこれに基づく指示に違反したとき。
(3) その他市長が助成金の交付を不適当と認めたとき。
2 市長は、前項の規定により助成金の交付の決定を取り消した場合において、当該取消しに係る部分に関し、既に助成金が交付されているときは、助成金の交付を受けた者に対し、期限を定めてその返還を命ずるものとする。
(その他)
第10条 この要綱に定めるもののほか、大月市認知機能低下予防高齢者補聴器購入費助成金の交付に関し必要な事項は、市長が別に定める。
附則
この告示は、公布の日から施行し、令和7年4月1日から適用する。
別表(第4条関係)
区分 | 補助率 | 1台あたり補助上限額 |
介護保険料の所得段階の第1段階から3段階に該当する者 | 1/2 | 50,000円 |
介護保険料の所得段階の第4段階に該当する者 | 32,000円 |





